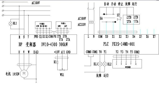
球磨机变频控制系统
湿式球磨机是原辅料被破损最后 ,再来破碎的根本设备 。它普遍软件应用于洋灰 ,硅酸盐包装文件 ,新兴搭建文件52555、耐火文件、硫酸钾肥、黑与有色废金属废金属冶炼厂包括钢化玻璃陶瓷厂家等研发互联网行业 ,对各个矿物和其他一些可磨性原辅料来湿式或湿式粉磨 。
工艺要求:
1、底速 。 2、方法重载 。 3、启车电动机扭矩大 。 4、传统化为工频操纵 。 5、对国家电网打击大 ,耗电高 。变频系统配置:
1、1台变频柜器安装驱动1台同步电机 。 2、变頻器用b体育手机网页版登录入口DV10系统矢量素材的控制通用型变頻器 。 3、通过轻松自由停下方式英文 ,不用办理外接刹车系统电阻功率 。 4、进行PLC如下多段速或电极可调电阻器调整的速度 。
